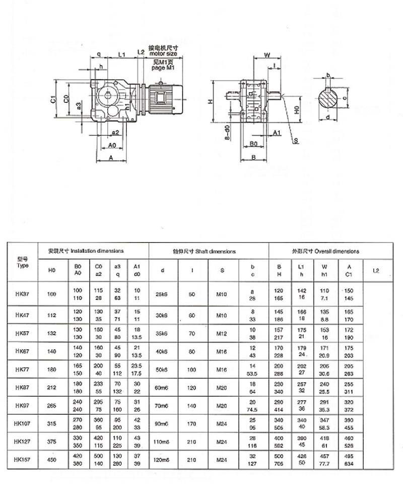
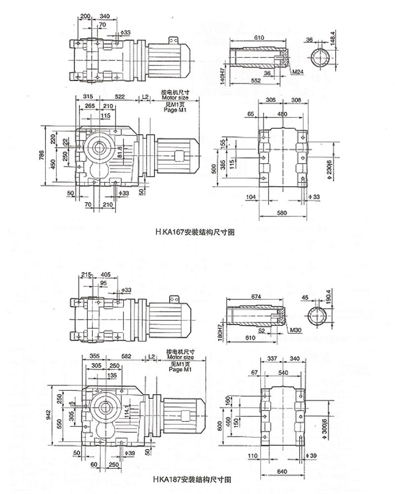
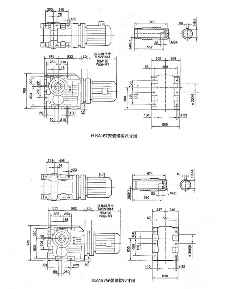
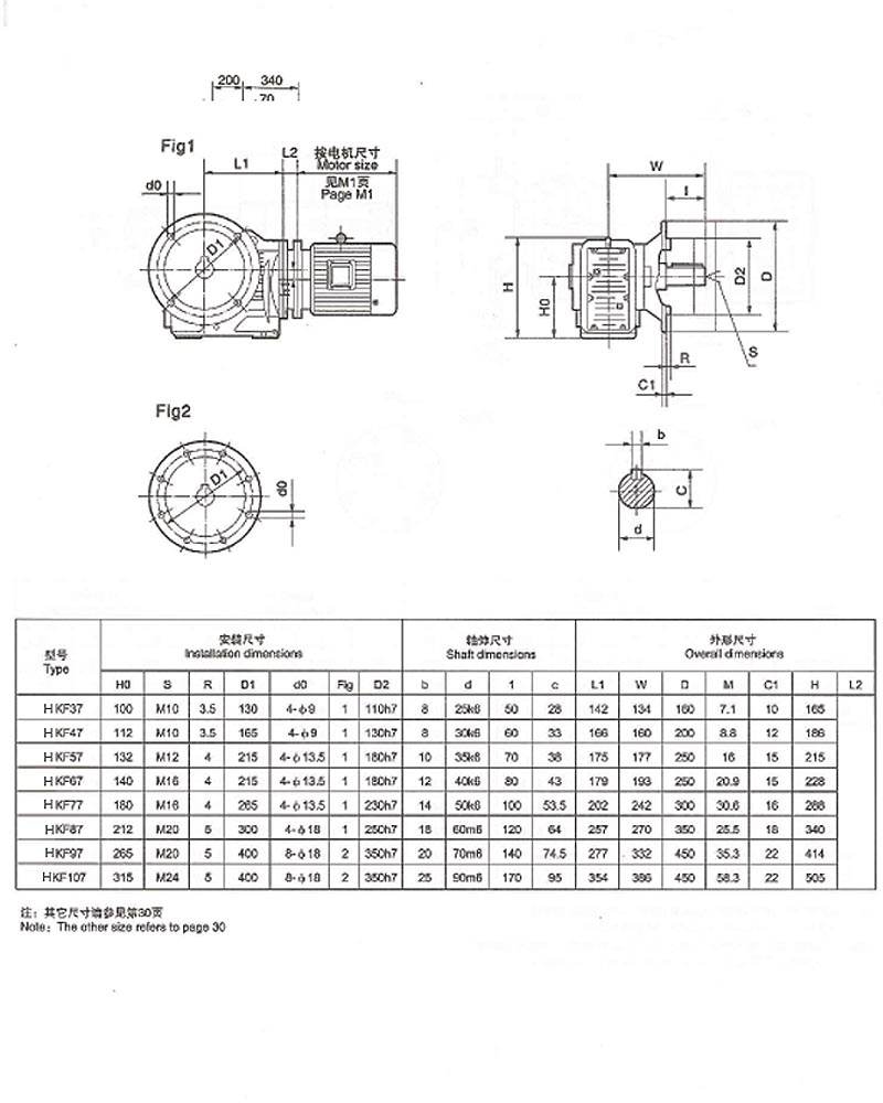
-
K系列螺旋錐齒輪減速機

概述:
節省空間,可靠耐用,承受過載能力高,功率可達200KW,能耗低,性能優越,減速效率高達95%以上,
振動小,噪音低,剛性鑄鐵箱體,齒輪表面經滲碳熱處理,經精密磨齒加工。結構為斜齒輪+傘齒輪
技術參數:
功 率:0.12KW~200KW
轉 矩:10N·m~58500N·m
輸出轉速:0.08~263r/min
|












概述:
節省空間,可靠耐用,承受過載能力高,功率可達200KW,能耗低,性能優越,減速效率高達95%以上,
振動小,噪音低,剛性鑄鐵箱體,齒輪表面經滲碳熱處理,經精密磨齒加工。結構為斜齒輪+傘齒輪
技術參數:
功 率:0.12KW~200KW
轉 矩:10N·m~58500N·m
輸出轉速:0.08~263r/min
|










